

2022年12月29日,国家市场监督管理总局(国家标准化管理委员会)正式批准《危险化学品仓库储存通则》等54项强制性国家标准,并予以公告。这是对于GB 15603-1995《常用化学危险品贮存通则》的首次修订,GB15603-2022将于2023年7月1日正式实施,GB 15603-1995同时废止。(GB 15603-2022《危险化学品仓库储存通则》下载:GB 15603-2022)
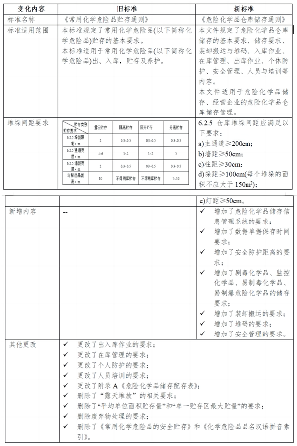
新标准规定了危险化学品仓库储存的基本要求、储存要求、装卸搬运与堆码、入库作业、在库管理、出库作业、个体防护、安全管理、人员与培训等内容,适用于危险化学品储存、经营企业的危险化学品仓库储存管理。

国家标准《危险化学品仓库储存通则》GB 15603-2022,于2022年12月29日由国家市场监督管理总局(国家标准化管理委员会)正式批准发布,2023年7月1日开始实施。该标准由应急管理部归口,委托TC288SC3(全国安全生产标准化技术委员会化学品安全分会)执行。(具体内容查看:GB 15603-2022《危险化学品仓库储存通则》发布,2023年7月1日实施!)
与GB 15603-1995相比,GB15603-2022的主要变化包括:

标准下载:
当前我国危险化学品仓储资源稀缺,公开信息极少,而且各地管理不统一,也导致信息公开渠道缺失。如何快速找到合适的仓储资源,如何高效识别仓库是适配程度,俨然已经是摆在众多企业眼前的迫切需求。为了解决这个问题,在中国仓储与配送协会危险品分会的指导下,瑞旭集团开发的中国化学品仓库地图上线啦!
中国化学品仓库地图整合了全国大部分危险化学品仓库资源,覆盖了全国120万平方米的危化品仓储面积,并囊括了一些优质的化学品普通仓库资源,详细展示各仓库基本信息、类别、各类库面积信息、储罐资源信息,工商注册信息、行政许可信息等综合内容,附加仓库优点特色介绍及周边交通设置要素展示。数据不断更新,并提供了多重筛选标准已提高查询效率。
中国化学品仓库地图,危险品合规存储的最佳助手。
中国化学品仓库访问地址:进入仓库地图
更多危险化学品解读查看:瑞旭集团危险化学品资讯
标准变化详情
01 制定背景
随着石油和化工产业持续快速发展,我国危险化学品仓库储存的品种和数量不断增加,因管理或操作不当引发的安全事故时有发生,给企业和社会造成巨大损失和危害,因此加强危险化学品仓库储存安全管理,加强危险化学品仓储标准体系建设意义重大。同时,随着科技进步与经济发展,特别是互联网、物联网技术的发展,以及危险化学品仓储信息管理系统的应用,使危险化学品仓库的仓储管理更趋于标准化、智能化、透明化、科学化,需要对原标准内容进行补充和修订。
02 适用范围
GB15603-2022规定了危险化学品仓库储存的基本要求、储存要求、装卸搬运与堆码、入库作业、在库管理、出库作业、个体防护、安全管理、人员与培训等内容。适用于危险化学品储存、经营企业的危险化学品仓库的储存管理。
03 主要内容
一、基本要求
1、“4.1 危险化学品储存、经营企业的仓库规划选址、建设、安全设施,应符合GB50016 、GB18265的要求。”包括但不限于GB50016《建筑设计防火规范》中仓库防火等级、仓库的防火间距、仓库的消防设施的要求;
GB18265-2019《危险化学品经营企业安全技术基本要求》中危险化学品规划选址的要求、建设的要求、安全设施的要求。
2、在本章中“4.2、4.3、4.4”着重提出了危险化学品储存信息管理系统及数据信息的要求。
主要包括危险化学品储存信息管理系统应具备的基本功能和库存危险化学品的作业基础数据,目的是便于企业的安全管理和监管部门的监管需要。
“4.3危险化学品储存信息数据应进行异地实时备份,数据保存期限不少于1年。”此条款的规定为危险化学品追溯和应急处理提供依据。
二、储存要求
- 储存方式:隔离储存、隔开储存、分离储存
- 仓库储存设施应该满足的要求:防火要求、危险化学品的特性、安全技术说明书中储存要求
- 危险化学品的储存品种、数量:危险化学品仓库的设计、经营许可要求
- 需要分离储存的种类:剧毒化学品、易燃气体、氧化性气体、急性毒性气体、遇水放出易燃气体的物质和混合物、氯酸盐、高锰酸盐、亚硝酸盐、过氧化钠、过氧化氢、溴素。
三、装卸保运与堆码
1、储存方式:隔离储存、隔开储存、分离储存
2、堆码:
1)规范堆码
堆码应整齐、牢固、无倒置。
不应遮挡消防设备、安全设施、安全标志和通道。
2)防止包装底部锈蚀及防水
“除200L及以上的钢桶、气体钢瓶外,其他包装的危险化学品不应直接与地面接触,垫底高度不小于10cm。”
3)堆码高度
包装标志有要求——按照要求操作。
包装无堆码标志的——堆码高度应不超过3cm(不含托盘等的高度)。
4)货架上存放
应置于托盘上并采取固定措施。
5)仓库堆垛间距应满足以下要求:
“6.2.5 仓库堆垛间距应满足以下要求:
a)主通道≥200cm;
b)墙距≥50cm;
c)柱距≥30cm;
d)垛距≥100cm(每个堆垛的面积不应大于150m2);
e)灯距≥50cm。”
此条为本标准中的重要条款,来源于现XF1131(原GA 1131)《仓储场所消防安全管理通则》。
四、入库作业
1、做准备
- 储存位置
- 搬运工具
- 加固材料
- 防护装备
- 交接单据
2、做检查
1)查车辆
装载状况是否合规。
2)查货品
品名、规格、数量与入库信息或单据是否一致。
3)查包装
应完好,标志、安全标签应规范、清晰。
4)查附件
中文化学品安全技术说明书和安全标签。
3、做记录
1)验收完毕应做好记录并归档;
2)单据保存期限不少于1年。
五、在库管理
- 定期盘点:盘实物、盘账目
- 定期检查:查堆码、查包装、查仓库
- 调温湿度:记录、调节
- 留存记录:盘点、检查、观测记录应保存不少于一年
六、出库作业
- 账货核对
- 单据检查
- 资质检查
- 安全检查
七、个人防护
个人防护:规定了个体防护制度、个体防护装备以及装备使用要求。
八、安全管理
从制度安全、库区安全、作业安全三个方面进行了要求。
九、人员与培训
人员与培训:
培训要有体系
人员应有能力
岗位要有技能
十、在库管理
附录A(规范性):
附录A(规范性)危险化学品储存配存,作为第五章“储存要求”的内容的补充,重点强调危险化学品储存配送的禁忌要求。
04 相比 GB15603-1995主要变化:
1、更改了标准名称:

2、更改了标准适用范围:

3、更改了堆垛间距要求:

4、更改了如下内容:
- 更改了出入库作业的要求;
- 更改了在库管理的要求;
- 更改了个人防护的要求;
- 更改了人员培训的要求;
- 更改了附录A《危险化学品储存配存表》。
5、增加了如下内容:
- 增加了危险化学品储存信息管理系统的要求;
- 增加了数据单据保存时间要求;
- 增加了安全防护距离的要求;
- 增加了剧毒化学品、监控化学品、易制毒化学品、易制爆危险化学品的储存要求;
- 增加了装卸搬运的要求;
- 增加了堆码的要求;
- 增加了安全管理的要求。
6、删除了如下内容:
- 删除了“露天堆放”的相关要求;
- 删除了“平均单位面积贮存量”和“单一贮存区最大贮量”的要求;
- 删除废弃物处理的要求;
- 删除了《常用化学危险品的安全贮存》和《化学危险品品名汉语拼音索引》。
05 标准实施的意义
标准的发布和实施,丰富了危险化学品储存的标准化体系,对加强危险化学品的仓库仓储安全管理、规范危险化学品的仓储标准体系的建设有着重大意义。
相关阅读:
- 应急科普 | 图说:危化品储存仓库安全管理“六必须”
- 执案说法 ▏危险化学品储存在普通货物仓库,你赚我赚想双赢,结果违法违规变双输!
- 第十一届危险品仓储设施建设与安全运营研讨会在杭州成功召开——聚焦危险化学品仓储标准化与化工供应链协同发展
- 重罚!上海通报多个惩治非法储存危险化学品案例!
一图读懂《危险化学品仓库储存通则》



