工业化学品
瑞旭集团
工业化学品
日化品
食品
医疗器械
农用化学品
检测认证
可持续发展
Search

中国台湾环保署预告修正「列管毒性化学物质及其运作管理事项」

来源 瑞旭集团 作者

2023年7月11日,根据毒性及关注物质管理法,中国台湾行政院环境保护署发布了修正「列管毒性化学物质及其运作管理事项」公告事项第一项及第二项附表二、第三项附表三、第四项附表四的预告。

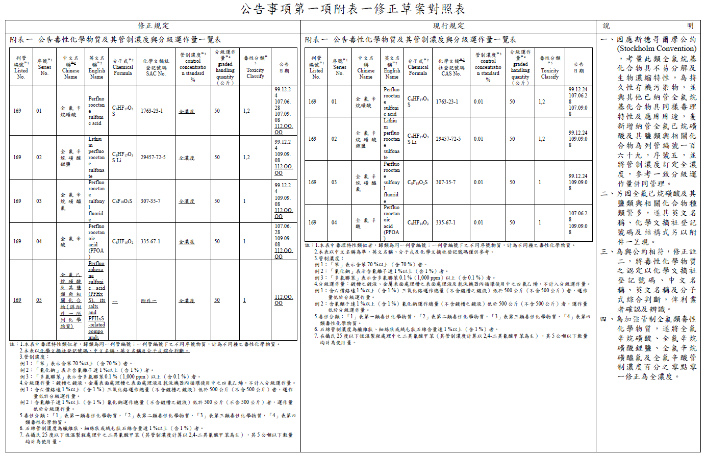
本次修正将全氟己烷磺酸及其盐类与相关化合物增列为第一类毒性化学物质,规定了管制浓度和分级运作量,并增列了禁止运作事项和允许使用用途。

具体修正草案对照可参见下表:

第一项附表一:

 第二项附表二:

 第三项附表三:

 第四项附表四:

对此公告有意见或建议的个人或机构,请于本公告发布之日起30日内陈述意见。(联系单位:毒物及化学物质局 电话:(02)2325-7399 电子邮件:yiting.chao@epa.gov.tw

详情请参阅相关网址:

扫描下方的二维码订阅“化规通”!聚焦中国, 放眼全球, 关注化学品合规风险,全球REACH、禁限用物质、下游产品应用法规、危化危货、供应链合规和双碳,最新一手资讯。

化规通

① 凡本网注明"稿件来源:“杭州瑞旭科技集团有限公司"的所有文字、图片和音视频稿件,版权均属杭州瑞旭科技集团有限公司所有,任何媒体、网站或个人未经本网协议授权不得转载、链接、转贴或以其他方式复制发表。已经本网协议授权的媒体、网站,在下载使用时必须注明"稿件来源:杭州瑞旭科技集团有限公司",违者本网将依法追究责任。

② 本网未注明"稿件来源:杭州瑞旭科技集团有限公司 "的文/图等稿件均为转载稿,本网转载出于传递更多信息之目的,并不意味着赞同其观点或证实其内容的真实性。如其他媒体、网站或个人从本网下载使用,必须保留本网注明的"稿件来源",并自负版权等法律责任。如擅自篡改为"稿件来源:杭州瑞旭科技集团有限公司",本网将依法追究责任。如对稿件内容有疑议,请及时与我们联系。

③ 如本网转载稿涉及版权等问题,请作者在两周内速来电或来函与杭州瑞旭科技集团有限公司联系。

联系我们
服务热线:4006 721 722
电 话:+86 571 87206555